Datasheet Details
- Part number
- R1283K002B, R1283K001A
- Manufacturer
- Nisshinbo
- File Size
- 862.05 KB
- Datasheet
- R1283K001A-Nisshinbo.pdf
- Description
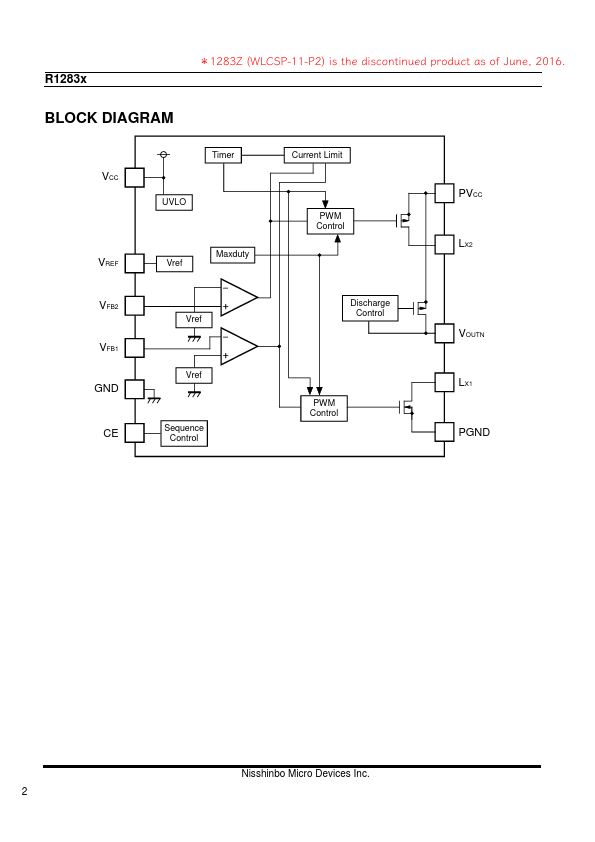
- 2ch DC/DC converter
- Note
- This datasheet PDF includes multiple part numbers: R1283K002B, R1283K001A.
Please refer to the document for exact specifications by model.