Datasheet4U Logo Datasheet4U.com

R1280D002C, R1280D002A - 2CH PWM DC/DC CONTROLLER

R1280D002C Description

R1280D002x SERIES 2CH PWM DC/DC CONTROLLER NO.EA-086-160125 OUTLINE The R1280D002x Series are CMOS-based 2-channel PWM Step-up (as Channel 1)/Inver.
R1280D002A/C Pin No 1 2 Symbol EXT1 GND 3 AMPOUT1 4 DTC1 5 VFB1 6 VFB2 7 DTC2 8 Vrefout 9 VIN 10 EXT2. R1280D00.

R1280D002C Features

* Input Voltage Range 2.5V to 5.5V
* Built-in Latch-type Protection Function by monitoring duty cycle (Fixed Delay Time Typ. 100ms)
* Oscillator Frequency 700kHz (R1280D002A,B)/200kHz (R1280D002C)
* Maximum Duty Cycle Typ. 90% (Only applied to R1280D002B Series)

R1280D002C Applications

* Constant Voltage Power Source for Portable Equipment.
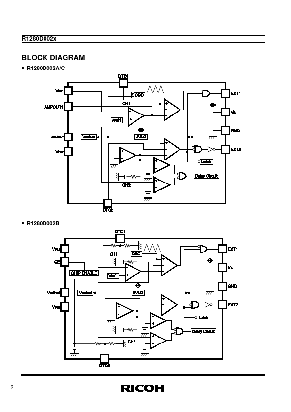
* Constant Voltage Power Source for LCD and CCD. 1 R1280D002x BLOCK DIAGRAM
* R1280D002A/C
* R1280D002B 2 R1280D002x SELECTION GUIDE The mask option for the ICs can be selected at the user's request. The sele

📥 Download Datasheet

This datasheet PDF includes multiple part numbers: R1280D002C, R1280D002A. Please refer to the document for exact specifications by model.
datasheet Preview Page 2 datasheet Preview Page 3

Datasheet Details

Part number
R1280D002C, R1280D002A
Manufacturer
RICOH
File Size
2.02 MB
Datasheet
R1280D002A-RICOH.pdf
Description
2CH PWM DC/DC CONTROLLER
Note
This datasheet PDF includes multiple part numbers: R1280D002C, R1280D002A.
Please refer to the document for exact specifications by model.

📁 Related Datasheet

📌 All Tags

RICOH R1280D002C-like datasheet