Datasheet Details
- Part number
- R1280D002A
- Manufacturer
- RICOH
- File Size
- 2.02 MB
- Datasheet
- R1280D002A-RICOH.pdf
- Description
- 2CH PWM DC/DC CONTROLLER
R1280D002A Description
R1280D002x SERIES 2CH PWM DC/DC CONTROLLER NO.EA-086-160125 OUTLINE The R1280D002x Series are CMOS-based 2-channel PWM Step-up (as Channel 1)/Inver.
R1280D002A/C
Pin No 1 2
Symbol EXT1 GND
3
AMPOUT1
4
DTC1
5
VFB1
6
VFB2
7
DTC2
8
Vrefout
9
VIN
10
EXT2.
R1280D00.
R1280D002A Features
* Input Voltage Range 2.5V to 5.5V
* Built-in Latch-type Protection Function by monitoring duty cycle (Fixed Delay Time Typ. 100ms)
* Oscillator Frequency 700kHz (R1280D002A,B)/200kHz (R1280D002C)
* Maximum Duty Cycle Typ. 90% (Only applied to R1280D002B Series)
R1280D002A Applications
* Constant Voltage Power Source for Portable Equipment.
* Constant Voltage Power Source for LCD and CCD. 1
R1280D002x
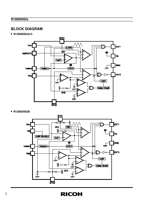
BLOCK DIAGRAM
* R1280D002A/C
* R1280D002B
2
R1280D002x
SELECTION GUIDE
The mask option for the ICs can be selected at the user's request. The sele
📁 Related Datasheet
📌 All Tags