Datasheet4U Logo Datasheet4U.com

R1283K001A - 2ch DC/DC converter

R1283K001A Description

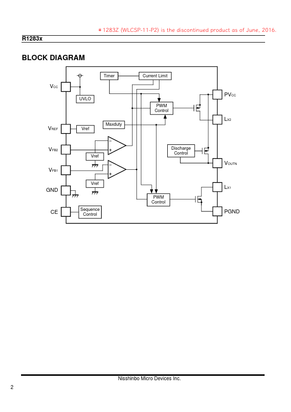
*1283Z (WLCSP-11-P2) is the discontinued product as of June, 2016.R1283x SERIES 2ch DC/DC for CCD & OLED NO.EA-157-231116 OUTLINE The R1283x 2ch.
WLCSP-11-P2 Pin No A1 A2 A3 B1 B2 B3 C1 C3 D1 D2 D3. DFN(PL)2730-12 Symbol PGND VFB1 LX1 PVCC CE LX2 GND VOUTN VCC VREF VFB2 P.

R1283K001A Features

* Operating Voltage 2.5V to 5.5V
* Step Up DC/DC (CH1) Internal Nch MOSFET Driver (RON=400mTyp. ) Adjustable VOUT Up to 20V with external resistor Internal Soft start function (Typ. 4.5ms) Over Current Protection Maximum Duty Cycle: 91%(Typ. )
* Inverting DC/DC (CH2) Internal

📥 Download Datasheet

Preview of R1283K001A PDF
datasheet Preview Page 2 datasheet Preview Page 3

Datasheet Details

Part number
R1283K001A
Manufacturer
Nisshinbo
File Size
862.05 KB
Datasheet
R1283K001A-Nisshinbo.pdf
Description
2ch DC/DC converter

📁 Related Datasheet

📌 All Tags

Nisshinbo R1283K001A-like datasheet