Datasheet4U Logo Datasheet4U.com

MS5620 - Quadruple 8-Bit DAC

General Description

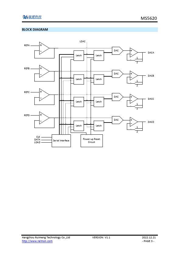
The MS5620 is a quadruple, serial 8-bit voltage output digital-to-analog converter (DAC) featured by buffered reference inputs (high impedance).

The output voltage range is from one or two times the reference voltage to GND and DAC is monotonic.

Key Features

  • Four Channels, Eight Bits Output Voltage.
  • 3V∼5V Sinle Power Supply.
  • Serial Interface.
  • Reference Input with High Impedance.
  • Programmable One or Two Times the Output Range.
  • Simultaneous Update Facility.
  • Internal Power-up Reset.
  • Low Power Dissipation.
  • Half-Buffered Output SOP14.

📥 Download Datasheet

Datasheet Details

Part number MS5620
Manufacturer Ruimeng
File Size 835.33 KB
Description Quadruple 8-Bit DAC
Datasheet download datasheet MS5620 Datasheet

Full PDF Text Transcription (Reference)

The following content is an automatically extracted verbatim text from the original manufacturer datasheet and is provided for reference purposes only.

View original datasheet text
MS5620 Quadruple 8Bit DAC PRODUCT DESCRIPTION The MS5620 is a quadruple, serial 8-bit voltage output digital-to-analog converter (DAC) featured by buffered reference inputs (high impedance). The output voltage range is from one or two times the reference voltage to GND and DAC is monotonic. The MS5620 is simple to use, because it operates in a single power supply, 3V to 5V. The power-up reset function can ensure repeatable start-up condition. Digital control is achieved by three-wire serial bus which is compatible with CMOS and easily interfaced to microprocessor or microcontroller with industry standard. 11-bit command word is consist of 8-bit data, 2-bit DAC channel select and 1-bit range control.