Datasheet4U Logo Datasheet4U.com

BSM120D12P2C005 - SiC Power Module

Features

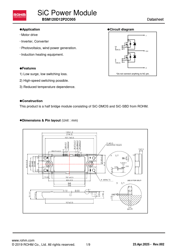
  • 1) Low surge, low switching loss. 2) High-speed switching possible. 3) Reduced temperature dependence. lCircuit diagram Datasheet 1 10 9 8(N. C) 3,4 5 6 7(N. C) 2.
  • Do not connect anything to NC pin. lConstruction This product is a half bridge module consisting of SiC-DMOS and SiC-SBD from ROHM. lDimensions & Pin layout (Unit : mm) 10 9 8 7 6 5 4 1 3 2 (M2.6 FOR SELF- www. rohm. com © 2019 ROHM Co. , Ltd. All rights reserved. 1/9 23.Apr.2025 - Rev.002 BSM120D12P2C005 Datasheet lA.

📥 Download Datasheet

Full PDF Text Transcription

Click to expand full text
SiC Power Module BSM120D12P2C005 lApplication  Motor drive  Inverter, Converter  Photovoltaics, wind power generation.  Induction heating equipment. lFeatures 1) Low surge, low switching loss. 2) High-speed switching possible. 3) Reduced temperature dependence. lCircuit diagram Datasheet 1 10 9 8(N.C) 3,4 5 6 7(N.C) 2 *Do not connect anything to NC pin. lConstruction This product is a half bridge module consisting of SiC-DMOS and SiC-SBD from ROHM. lDimensions & Pin layout (Unit : mm) 10 9 8 7 6 5 4 1 3 2 (M2.6 FOR SELF- www.rohm.com © 2019 ROHM Co., Ltd. All rights reserved. 1/9 23.Apr.2025 - Rev.
Published: |