Datasheet4U Logo Datasheet4U.com

BD80GA3MEFJ-ME2 - LDO Regulator

Description

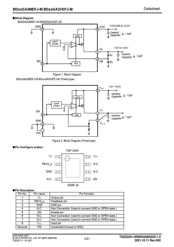
BDxxGA3MEFJ-M BDxxGA3VEFJ-M is a LDO regulator with output current 0.3A.

The output accuracy is ±1% of output voltage.

With external resistance, it is available to set the output voltage at random (from 1.5V to 13.0V).It has package type: HTSOP-J8.

Features

  • br>.
  • High accuracy reference voltage circuit.
  • Built-in Over Current Protection circuit (OCP).
  • Built-in Thermal Shut Down circuit (TSD).
  • With shut down switch.
  • AEC-Q100 Qualified.
  • Key Specifications.
  • Input power supply voltage range: 4.5V to 14.0V.
  • Output voltage range(Variable type): 1.5V to 13.0V.
  • Output voltage(Fixed type): 1.5V/1.8V/2.5V/3.0V/3.3V 5.0V/6.0V/7.0V/8.0V/9.0V/10V/12V.
  • Output current: 0.3A (Max. ).
  • Shutdown current: 0μA(Typ.

📥 Download Datasheet

Datasheet preview – BD80GA3MEFJ-ME2

Datasheet Details

Part number BD80GA3MEFJ-ME2
Manufacturer ROHM
File Size 870.75 KB
Description LDO Regulator
Datasheet download datasheet BD80GA3MEFJ-ME2 Datasheet
Additional preview pages of the BD80GA3MEFJ-ME2 datasheet.
Other Datasheets by ROHM

Full PDF Text Transcription

Click to expand full text
Datasheet Automotive 300mA Variable Output LDO Regulator BDxxGA3MEFJ-M BDxxGA3VEFJ-M ●General Description BDxxGA3MEFJ-M BDxxGA3VEFJ-M is a LDO regulator with output current 0.3A. The output accuracy is ±1% of output voltage. With external resistance, it is available to set the output voltage at random (from 1.5V to 13.0V).It has package type: HTSOP-J8. Over current protection (for protecting the IC destruction by output short circuit), circuit current ON/OFF switch (for setting the circuit 0μA at shutdown mode), and thermal shutdown circuit (for protecting IC from heat destruction by over load condition) are all built in. It is usable for ceramic capacitor and enables to improve smaller set and long-life.
Published: |