Datasheet4U Logo Datasheet4U.com

RP511Z - Ultra-low Quiescent Current 100mA Buck DC/DC Converter

RP511Z Description

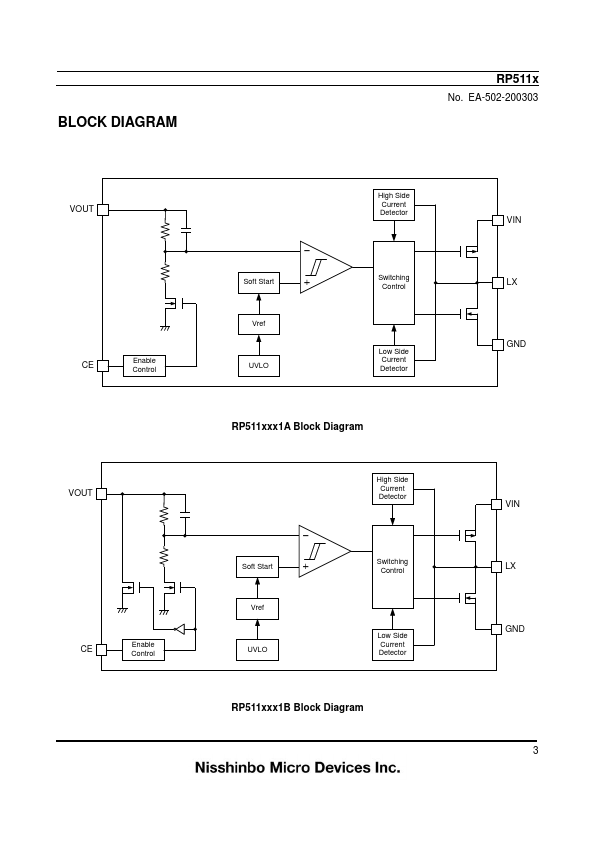
RP511x Series 0.3 µA IQ Ultra-low Quiescent Current 100 mA Buck DC/DC Converter No.EA-502-200303 OVERVIEW RP511x is a DC/DC converter featuring 0..
Top View Bottom View 3 3 2 2 1 1 A BC C B A RP511Z (WLCSP-8-P1) Pin Configuration Top View 10 9 8 7 6 Bottom View 6 7 8 9 10 (1) 5 4.

RP511Z Applications

* Efficiency [%] TYPICAL CHARACTERISTICS VOUT = 1.8 V 100 80 60 40 Vin=2.3V 20 Vin=3.6V Vin=5.5V 0 0.001 0.01 0.1 1 IOUT [mA] 10 100 SELECTION GUIDE VIN VOUT VIN LX Product Name Package Q’ty per Reel RP511x L CIN VOUT COUT RP511Zxx1$-TR-F WLCSP-8-P1 5,000 pcs CE GND R

📥 Download Datasheet

Preview of RP511Z PDF
datasheet Preview Page 2 datasheet Preview Page 3

Datasheet Details

Part number
RP511Z
Manufacturer
Nisshinbo
File Size
1.78 MB
Datasheet
RP511Z-Nisshinbo.pdf
Description
Ultra-low Quiescent Current 100mA Buck DC/DC Converter

📁 Related Datasheet

  • RP500K - PWM/VFM Step-down DC/DC Converter (RICOH)
  • RP500L - PWM/VFM Step-down DC/DC Converter (RICOH)
  • RP500N - PWM/VFM Step-down DC/DC Converter (RICOH)
  • RP506K - PWM/VFM Step-down DC/ DC Converter (RICOH)
  • RP506K001C - PWM/VFM Step-down DC/ DC Converter (RICOH)
  • RP506K001F - PWM/VFM Step-down DC/ DC Converter (RICOH)
  • RP506K061D - 2A PWM/VFM Step-down DC/DC Converter (RICOH)
  • RP506K061E - 2A PWM/VFM Step-down DC/DC Converter (RICOH)

📌 All Tags

Nisshinbo RP511Z-like datasheet