Datasheet Details
| Part number | MS5199T |
|---|---|
| Manufacturer | Ruimeng |
| File Size | 701.67 KB |
| Description | Low Noise Low Power Dissipation ADC |
| Datasheet |
|
|
|
|
Download the MS5199T datasheet PDF. This datasheet also covers the MS5198T variant, as both devices belong to the same low noise low power dissipation adc family and are provided as variant models within a single manufacturer datasheet.
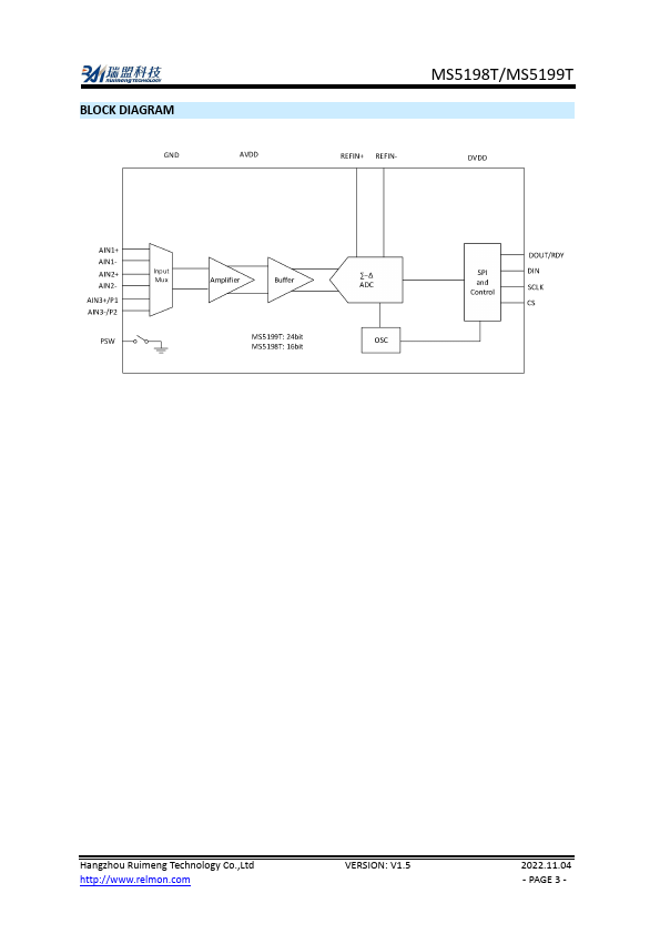
The MS5198T/MS5199T is a 16bit/24bit ADC featured by low power dissipation, low noise, three differential input channels and it is suitable for highprecision measurement application.
The MS5198T/MS5199T integrates input buffer and instrumentation amplifier.
| Part number | MS5199T |
|---|---|
| Manufacturer | Ruimeng |
| File Size | 701.67 KB |
| Description | Low Noise Low Power Dissipation ADC |
| Datasheet |
|
|
|
|
| Part Number | Description | Manufacturer |
|---|---|---|
| MS51957 | Screw | Military Standard |
| MS51957D | Corrosion Resistant Steel | Military Specification |
| MS51958 | Screw | Military Standard |
| MS51959 | MACHINE SCREW | Aircraft |
| MS51959 | SCREW | ETC |
| Part Number | Description |
|---|---|
| MS5192T | 16-/24-Bit ADC |
| MS5193T | 16-/24-Bit ADC |
| MS5194T | Low Noise Low Power Dissipation ADC |
| MS5195T | Low Noise Low Power Dissipation ADC |
| MS5196T | Low Noise Low Power Dissipation ADC |
The following content is an automatically extracted verbatim text from the original manufacturer datasheet and is provided for reference purposes only.