Datasheet4U Logo Datasheet4U.com

MS5198T - Low Noise Low Power Dissipation ADC

General Description

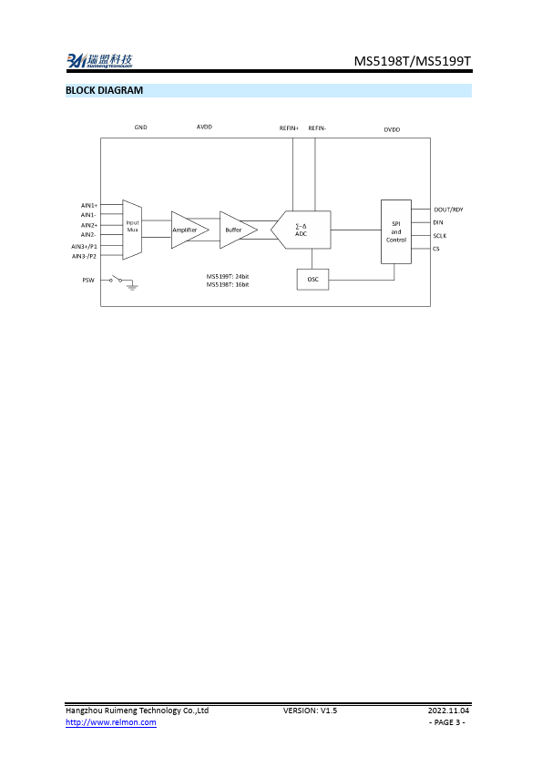
The MS5198T/MS5199T is a 16­bit/24­bit ADC featured by low power dissipation, low noise, three differential input channels and it is suitable for high­precision measurement application.

The MS5198T/MS5199T integrates input buffer and instrumentation amplifier.

Key Features

  • RMS Noise: MS5199T: 27nV@4.17Hz;65nV@16.7Hz MS5198T: 40nV@4.17Hz;85nV@16.7Hz.
  • Power Dissipation: 380μA(typ).
  • Integrated Low Noise, Programmable Gain Instrumentation Amplifier.
  • Update Rate: 4.17Hz to 470Hz.
  • Integrated Three Differential Input Channels and Internal Oscillator.
  • Integrated 50Hz/60Hz Rejection Filter.
  • Integrated Power Supply Detect.
  • Power Supply Voltage: 2.7V to 5.25V.
  • Operating Temperature Range: ­40°C to 105°C.

📥 Download Datasheet

Datasheet Details

Part number MS5198T
Manufacturer Ruimeng
File Size 701.67 KB
Description Low Noise Low Power Dissipation ADC
Datasheet download datasheet MS5198T Datasheet

Full PDF Text Transcription (Reference)

The following content is an automatically extracted verbatim text from the original manufacturer datasheet and is provided for reference purposes only.

View original datasheet text
MS5198T/MS5199T Low Noise, Low Power Dissipation, 16/24-Bit Σ-Δ ADC PRODUCT DESCRIPTION The MS5198T/MS5199T is a 16­bit/24­bit ADC featured by low power dissipation, low noise, three differential input channels and it is suitable for high­precision measurement application. The MS5198T/MS5199T integrates input buffer and instrumentation amplifier. When the gain is set to 64 and the update rate is 4.17Hz, the root mean square noise is 10nV. The output data rate can be set from 4.17Hz to 470Hz. The power supply voltage ranges from 2.7V to 5.25V. The MS5198T/MS5199T is available in TSSOP16 package. FEATURES  RMS Noise: MS5199T: 27nV@4.17Hz;65nV@16.7Hz MS5198T: 40nV@4.17Hz;85nV@16.