Datasheet4U Logo Datasheet4U.com

MS1651 - Single-channel 6-order standard definition video filter driver

Product Overview

📥 Download Datasheet

Datasheet preview – MS1651

Datasheet Details

Part number MS1651
Manufacturer Ruimeng
File Size 1.09 MB
Description Single-channel 6-order standard definition video filter driver
Datasheet download datasheet MS1651 Datasheet
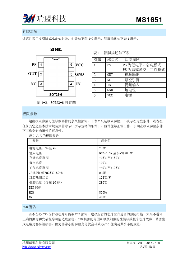
Additional preview pages of the MS1651 datasheet.
Other Datasheets by Ruimeng
Published: |