Datasheet4U Logo Datasheet4U.com

BDJ2GA5VEFJ-ME2 - LDO Regulator

This page provides the datasheet information for the BDJ2GA5VEFJ-ME2, a member of the BDJ0GA5MEFJ-ME2 LDO Regulator family.

Description

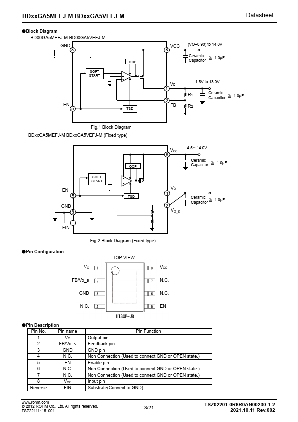
BDxxGA5MEFJ-M BDxxGA5VEFJ-M is a LDO regulator with output current 0.5A.

The output accuracy is ±1% of output voltage.

With external resistance, it is available to set the output voltage at random (from 1.5V to 13.0V).It has package type: HTSOP-J8.

Features

  • br>.
  • High accuracy reference voltage circuit.
  • Built-in Over Current Protection circuit (OCP).
  • Built-in Thermal Shut Down circuit (TSD).
  • With shut down switch.
  • AEC-Q100 Qualified.
  • Key Specifications.
  • Input power supply voltage range: 4.5V to 14.0V.
  • Output voltage range(Variable type): 1.5V to 13.0V.
  • Output voltage(Fixed type): 1.5V/1.8V/2.5V/3.0V/3.3V 5.0V/6.0V/7.0V/8.0V/9.0V/10V/12V.
  • Output current: 0.5A (Max. ).
  • Shutdown current: 0μA(Typ.

📥 Download Datasheet

Datasheet preview – BDJ2GA5VEFJ-ME2

Datasheet Details

Part number BDJ2GA5VEFJ-ME2
Manufacturer ROHM
File Size 1.06 MB
Description LDO Regulator
Datasheet download datasheet BDJ2GA5VEFJ-ME2 Datasheet
Additional preview pages of the BDJ2GA5VEFJ-ME2 datasheet.
Other Datasheets by ROHM

Full PDF Text Transcription

Click to expand full text
Datasheet Automotive 0.5A Variable Output LDO Regulator BDxxGA5MEFJ-M BDxxGA5VEFJ-M ●General Description BDxxGA5MEFJ-M BDxxGA5VEFJ-M is a LDO regulator with output current 0.5A. The output accuracy is ±1% of output voltage. With external resistance, it is available to set the output voltage at random (from 1.5V to 13.0V).It has package type: HTSOP-J8. Over current protection (for protecting the IC destruction by output short circuit), circuit current ON/OFF switch (for setting the circuit 0μA at shutdown mode), and thermal shutdown circuit (for protecting IC from heat destruction by over load condition) are all built in. It is usable for ceramic capacitor and enables to improve smaller set and long-life.
Published: |