Datasheet4U Logo Datasheet4U.com

74HC161-Q100 Presettable synchronous 4-bit binary counter

74HC161-Q100 Description

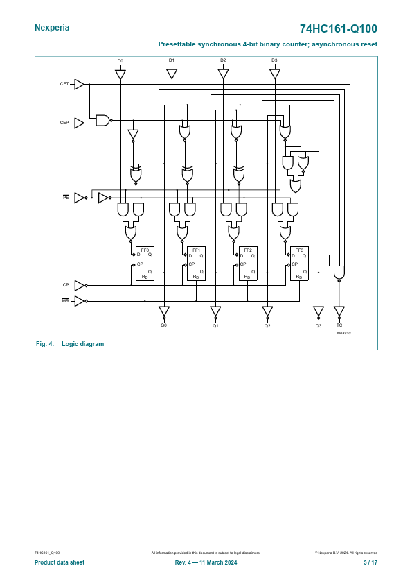
74HC161-Q100 Presettable synchronous 4-bit binary counter; asynchronous reset Rev.4 * 11 March 2024 Product data sheet 1.General descri.
The 74HC161-Q100 is a synchronous presettable binary counter with an internal look-head carry.

74HC161-Q100 Features

* Automotive product qualification in accordance with AEC-Q100 (Grade 1)
* Specified from -40 °C to +85 °C and from -40 °C to +125 °C
* Wide supply voltage range from 2.0 V to 6.0 V
* CMOS low power dissipation
* High noise immunity
* Latch-up performa

📥 Download Datasheet

Preview of 74HC161-Q100 PDF
datasheet Preview Page 2 datasheet Preview Page 3

📁 Related Datasheet

  • 74HC161 - 4-BIT SYNCHRONOUS BINARY COUNTERS (Texas Instruments)
  • 74HC162 - Presettable synchronous BCD decade counter (Philips)
  • 74HC163 - Presettable synchronous 4-bit binary counter (Philips)
  • 74HC164 - 8-Bit Parallel-Out Serial Shift Registers (Texas Instruments)
  • 74HC164AP - 8-Bit Shift Register (Toshiba)
  • 74HC164D - 8-Bit Shift Register (Toshiba)
  • 74HC164D14 - 8-BIT PARALLEL-OUT SERIAL SHIFT REGISTERS (Diodes)
  • 74HC164S14-13 - 8-BIT PARALLEL-OUT SERIAL SHIFT REGISTERS (Diodes)

📌 All Tags

nexperia 74HC161-Q100-like datasheet