• Part: VP3675
  • Description: High-Efficiency Full Bridge Buck-Boost DC/DC Controller
  • Manufacturer: Viva Electronics
  • Size: 1.32 MB
Download VP3675 Datasheet PDF
Viva Electronics
VP3675
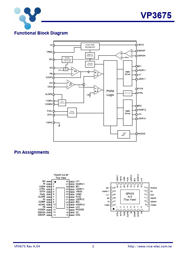
Description Features The VP3675 is a high efficiency full-bridge buck- - 4-Switch Step-Up/Step-Down Operation boost DC/DC controller designed for use in volt- - Wide Input Voltage from 4.2V to 42V (Peak age step-up or step-down converting application. 60V within 20ms) It operates over a wide input range from 4.2V to - Adjustable Output Voltage from 0.8V to 45V 42V and is capable of adjusting output voltage to - Adjustable 100k Hz~600k Hz Clock Frequency 45V. Current mode control scheme also makes it - Optional Frequency Synchorization/Dithering wide bandwidth and good transient response. The - 2A Peak Current Limit Using Internal Driver operating frequency can be adjusted simply with - Current Mode Operation an external resistor or any external clock source - External RC pensation between 100k Hz and 600k Hz. Its internal gate - Programmable Soft-Start and Input UVLO driver provides 2A peak current driving capability. - High Efficiency at Light Loads - Power Good...