Datasheet4U Logo Datasheet4U.com

NJW4187 - High Voltage Low Dropout Regulator

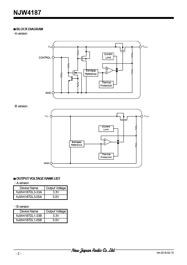
NJW4187 Description

NJW4187 High Voltage Io=1000mA Low Dropout Regulator GENERAL .
The NJW4187 is a high voltage and low current consumption low dropout regulator.

NJW4187 Features

* Wide Operating Voltage Range Low Current Consumption 4.0V to 40V 55μA typ. (A version) 48μA typ. (B version) High Precision Output Output Current Output Voltage Range VO 1.0% IO (min. )=1000mA 2.0V to 15V Correspond to Low ESR capacitor (MLCC) ON/OFF Control (apply only the A version) Internal

📥 Download Datasheet

Preview of NJW4187 PDF
datasheet Preview Page 2 datasheet Preview Page 3

Datasheet Details

Part number
NJW4187
Manufacturer
JRC
File Size
480.13 KB
Datasheet
NJW4187-JRC.pdf
Description
High Voltage Low Dropout Regulator

📁 Related Datasheet

  • NJW4180 - High Voltage Low current consumption Regulator (New Japan Radio)
  • NJW4181 - Regulator (New Japan Radio)
  • NJW4182 - High Voltage Ultra low current consumption Io=100mA LDO (New Japan Radio)
  • NJW4183 - Low dropout Regulator (New Japan Radio)
  • NJW4184 - Low Dropout Regulator (New Japan Radio)
  • NJW4185 - High Voltage Low Dropout Regulator (New Japan Radio)
  • NJW4186 - High Voltage Adjustable Low Dropout Regulator (New Japan Radio)
  • NJW4100 - Lithium-ion Battery Charger Controller (New Japan Radio)

📌 All Tags

JRC NJW4187-like datasheet