Datasheet4U Logo Datasheet4U.com

RT8237E - High Efficiency Single Synchronous Buck PWM Controller

General Description

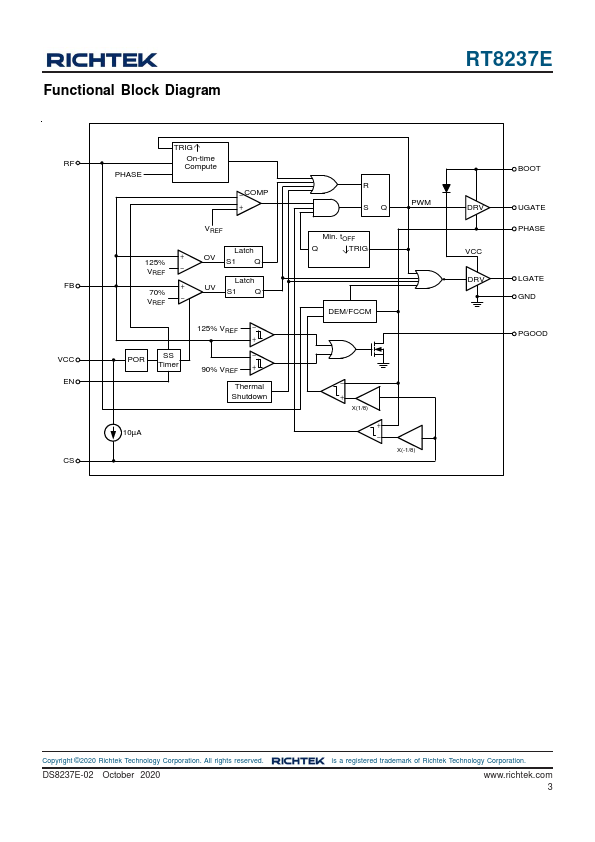
The RT8237E PWM controller provides high efficiency, excellent transient response, and high DC output accuracy needed for stepping down high voltage batteries to generate low voltage CPU core, I/O, and chipset RAM supplies in notebook computers.

Key Features

  • Wide Input Voltage Range : 2.7V to 26V.
  • Output Voltage Range : 0.7V to 3.3V.
  • Built-In 0.5% 0.7V Reference Voltage.
  • Quick Load-Step Response within 100ns.
  • 4700ppm/°C Current Source for Current Limit RDS(ON).
  • Adjustable Current Limit with Low-Side MOSFET.
  • 4 Selectable Frequency Setting.
  • Soft-Start Control.
  • Drives Large Synchronous-Rectifier FETs.
  • Integrated Boot Switch.
  • Built-In OVP/OCP/UVP.
  • Thermal Shutdown.
  • Power Good Indicator.

📥 Download Datasheet

Datasheet Details

Part number RT8237E
Manufacturer Richtek
File Size 220.29 KB
Description High Efficiency Single Synchronous Buck PWM Controller
Datasheet download datasheet RT8237E Datasheet

Full PDF Text Transcription (Reference)

The following content is an automatically extracted verbatim text from the original manufacturer datasheet and is provided for reference purposes only.

View original datasheet text
® RT8237E High Efficiency Single Synchronous Buck PWM Controller General Description The RT8237E PWM controller provides high efficiency, excellent transient response, and high DC output accuracy needed for stepping down high voltage batteries to generate low voltage CPU core, I/O, and chipset RAM supplies in notebook computers. The constant on-time PWM control scheme handles wide input/output voltage ratios with ease and provides 100ns “instant-on” response to load transients while maintaining a relatively constant switching frequency. The RT8237E achieves high efficiency at a reduced cost by eliminating the current sense resistor found in traditional current mode PWMs.